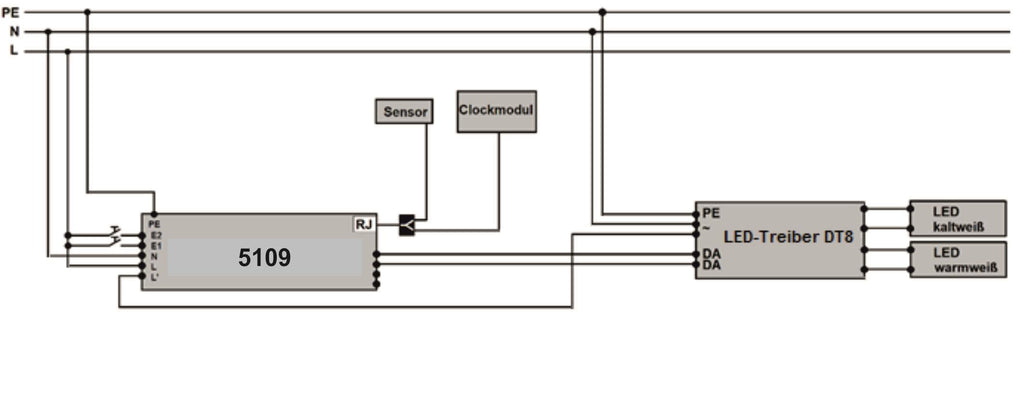
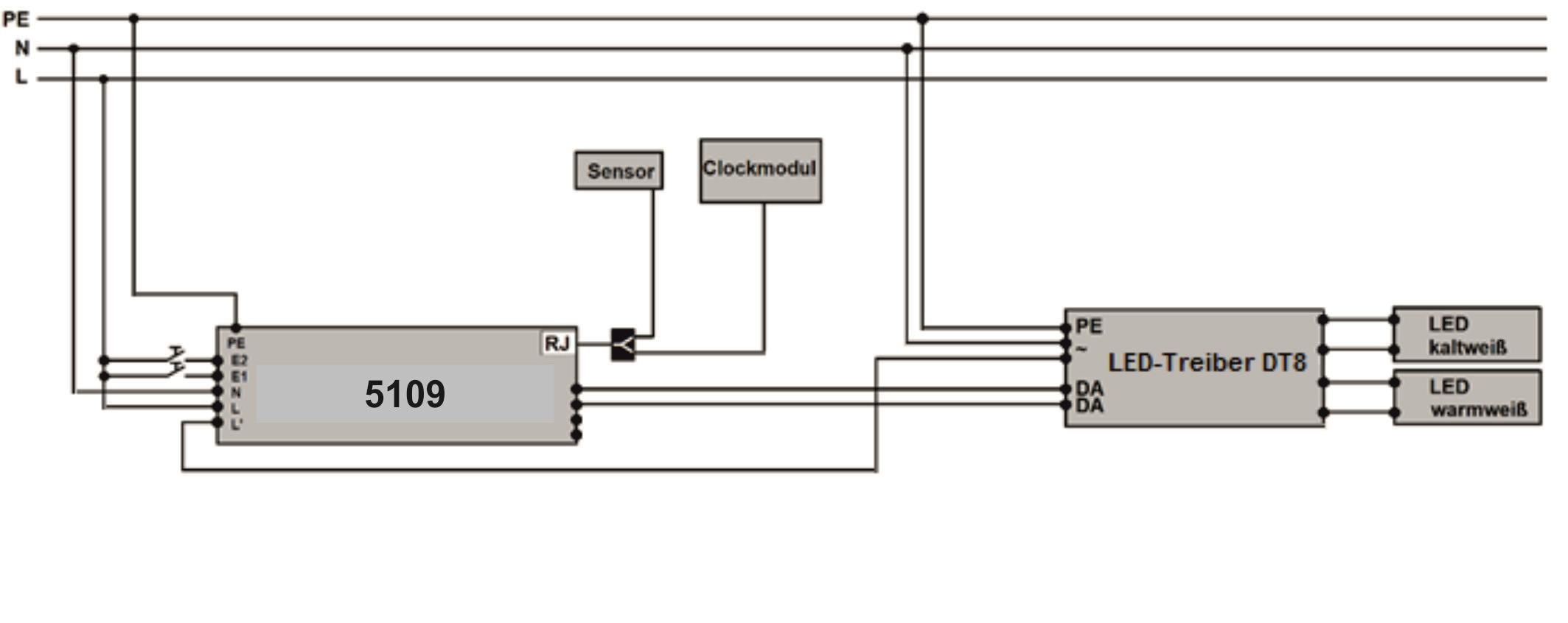
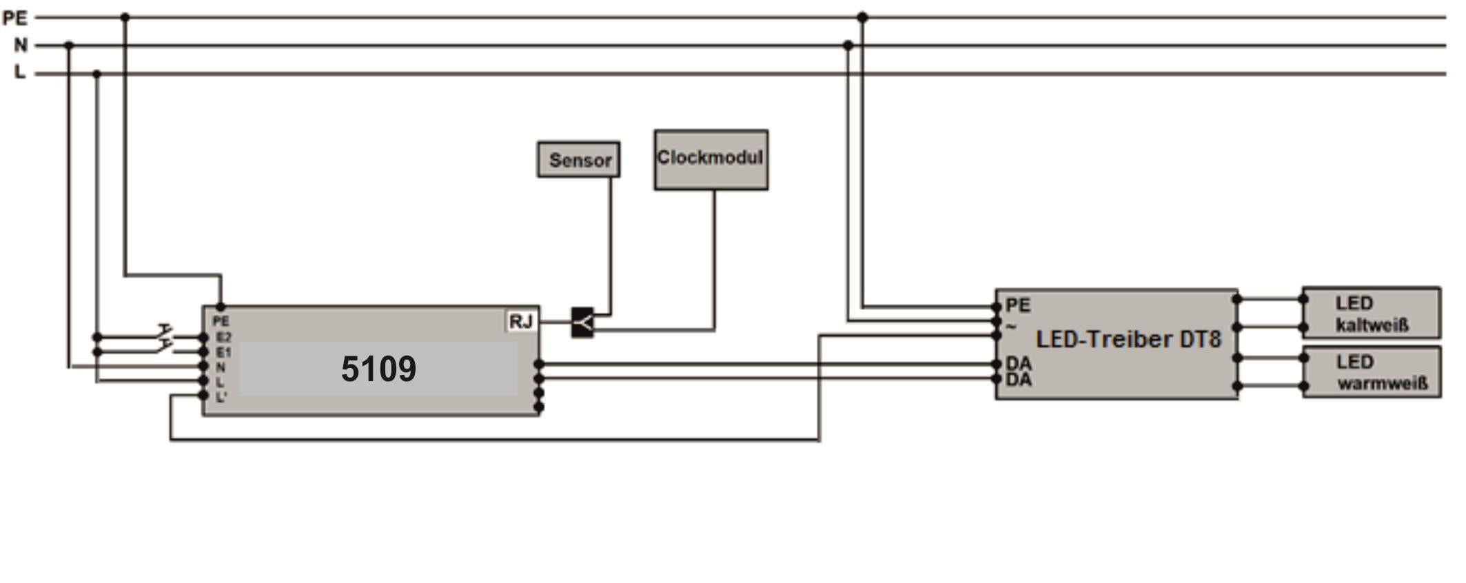
Beschreibung
- HCL-Lichtmanagementsystem dient zur Ansteuerung von HCL-Leuchten zur Zeit- und Helligkeitssteuerung auf Basis DALI
- Funktioniert nur in Verbindung mit HCL-Steuergerät (Art-Nr. 5109)
Details
Angaben zur Produktsicherheit
, , - ,
Hersteller: Dotlux GmbH, Richard-Stücklen-Str. 7, 91781 Weißenburg - info@dotlux.de, https://www.dotlux.de



